中文
2017年9月29日国家质检总局和国家标准委联合发布《中华人民共和国国家标准公告》(2017年第23号),要求2018年1月1日正式实施新版《机动车运行安全技术条件》(GB7258-2017)。
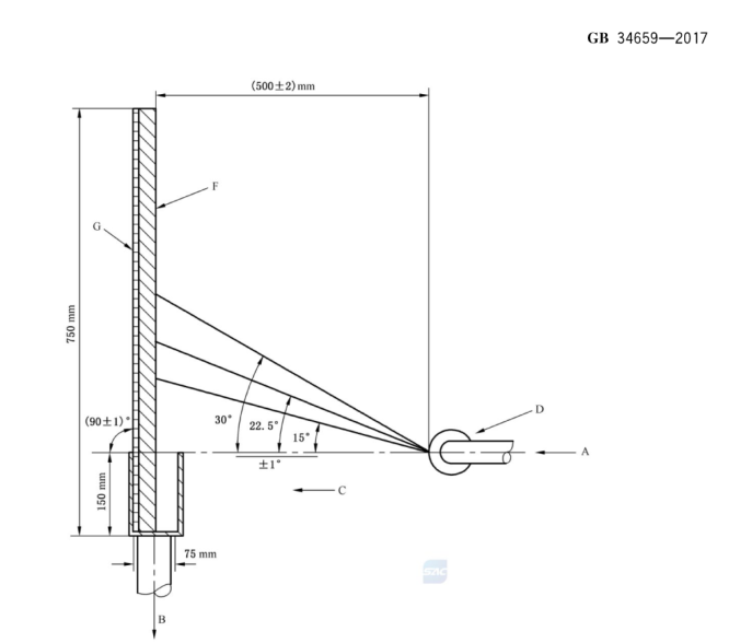
《机动车运行安全技术条件》(GB7258-2017)由公安部归口管理,是我国机动车安全技术管理的最基本的技术性法规,是公安机关交通管理部门新车注册登记、机动车查验主要技术依据。GB7258-2017 第11.10.1条规定总质量大于7.5吨的货车、货车底盘改装的专项作业车及总质量大于3.5吨的挂车等应装有防飞溅系统。
2017年11月1日正式发布的《汽车和挂车防飞溅系统的要求和测量方法》(GB 34659-2017)是国家针对防飞溅系统颁布的专项标准,是GB7258-2017的重要补充,对防飞溅系统定义、构成、安装要求、外廓尺寸、性能等进行全方面明确与规定。该标准由工业和信息化部归口管理,将于2018年1月1日与GB7258-2017同步正式实施。




版权所有 @ 山东德瑞克仪器股份有限公司 备案号:鲁ICP备12028852号-4 实验室一站式服务,实验室设计,试验仪选配.(鲁)-非经营性-2021-0099